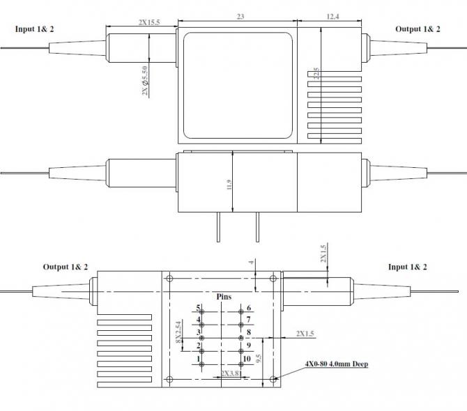
1250~1650nm 2X2 Standard / High Power Mechanical Fiber Optic Switch